* — поля, обязательные к заполнению
Нажимая кнопку «Отправить», я даю согласие на обработку моих персональных данных на условиях Политики конфиденциальности
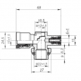
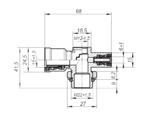
Артикул: 15-М12X1,5-6-М22X1,5TC 9600
Наличие: Нет в наличии
В пути: 4 шт.
цена по запросу
Количество: